Ho ripreso un vecchio progetto di alcuni anni fa ed ho costruito un micro modello per volare sia indoor che all’esterno con un modello indistruttibile, simpaticissimo.
Il materiale per costruirlo è naturalmente minimo:
- Due tondini di carbonio da 0,8 mm
- Un ritaglio di balsa da 0,8 mm e 1,5 mm.
- Uno spezzone di tubetto di carbonio conico da 3 X 0,8 mm lungo 340 mm, in pratica un cimino di canna da pesca. Se non lo trovate potete sostituirlo con un listello di balsa da 4X4 mm rastremandolo a 2X2 mm.
- Uno spezzone di pellicola trasparente per avvolgere gli alimenti.
- Un po’ di filo di kewlar (può andare bene anche robusto filo di cotone per cucire)
- Cianoacrilica.
La costruzione dell’ala la trovate descritta qui:
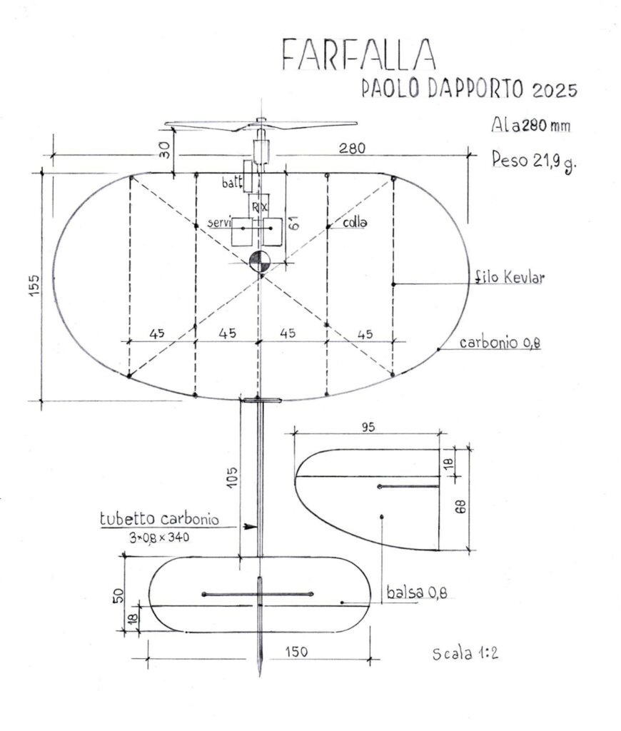
Soffermatevi sulla descrizione della costruzione dell’ala. È un sistema molto particolare che permette di realizzare un’ala con profilo molto concavo senza dover inserire delle centine, ma sfruttando il diedro alare che è di 40 mm per ogni estremità.
Il materiale del rivestimento è comunissima pellicola per proteggere gli alimenti, che si retrae con il calore di una pistola ad aria calda.
Nulla ha a che fare con l’ala del Vapor della Horizon Hobby, tutto diverso. Il mio sistema è più semplice e leggero.
Il trittico che è riportato permette di rendersi conto di come sia facile costruire il modello.

La colorazione la potete fare con una bomboletta acrilica, spruzzando il colore ad almeno 40 cm. dalla superficie, dalla parte inferiore in modo che l’aspetto risulti lucido.
I comandi sono realizzati con il tondino da 0,8 mm che è guidato a metà con un tubetto con foro da 1/1,5 mm. incollato, come si vede in foto, al supporto posteriore dell’ala.
A metà dovrete incollare due stuzzicadenti che saranno il supporto dell’ala
L’ala è fissata al tondino in carbonio (in pratica la fusoliera) che collega ala con il piano orizzontale con due stuzzicadenti che si infilano in due tubetti termorestringenti incollati al tondino che permettono, scorrendo in alto o in basso, di variare l’incidenza dell’ala: è importantissimo per trovare sperimentalmente la giusta incidenza.
Il tubetto termoretraibile dovrete scaldarlo con la punta del saldatore finchè non aderisce allo stuzzicadente, lasciando comunque la possibilità di poter far scorrere lo stuzzicadente stesso per, appunto, variare l’incidenza.

Il verticale è mantenuto in posizione da due spezzoni di tondino da 0,8 mm

Il riduttore del motore è fissato al tondino/fusoliera con una legatura di filo di cotone o kewlar cosparsa di cianoacrilica.
Per semplificare al massimo il lavoro dovrete fissare i due servocomandi e la ricevente ad un supporto in balsa da 1,5 mm che a sua volta è incollato con cianoacrilica al tubetto (o listello di balsa 4X4)
La lipo da 100 mAh è fissata con una piccola calamita che potete trovare facilmente in vendita su internet.

Le due squadrette che trasmettono il movimento alle due parti mobili sono semplicemente squadrette di mini servi incollate con cianoacrilica.
Componenti elettronici
Il valore totale dei componenti elettronici è di 30 € e li potete ordinate tutti a Aliexpress.
Interessante è la ricevente da 1 grammo che ha incorporato l’ESC per motori a spazzola.
Per comodità riporto i links ed i prezzi, per eventualmente comperare i componenti: (quotazione 2025)
MA-RX42 ricevente a 4 canali completa di ESC (14 €)
Micro servo a slitta da 1,6 grammi. (€ 6 cadauno)
Micromotore a spazzole con riduttore e elica (€ 3)
Per stabilire l’esatta posizione dell’ala dovete fissare anteriormente il motore completo di elica e posteriormente l’orizzontale e il verticale, poi determinate la posizione del C.G. A questo punto avrete l’esatta posizione per fissare l’ala sapendo che il C.G è a 61 mm dal bordo di entrata. Per ultimo incollerete la piastrina in balsa di 1,5 mm. porta servi e la RX. Sotto al C.G.
Centraggio
Con il motore che ruota al minimo lanciate il modello che deve planare con una traiettoria lineare verso il basso. Se non avviene regolate l’incidenza dell’ala alzandola o abbassandolo, facendo scorrere i due supporti (stuzzicadenti) nei tubetti di termoretraibile.
L’elica è di dimensiono notevoli rispetto all’apertura alare e provocherà una forte reazione verso sinistra. Per contrastarla dovrete miscelare il comando del verticale con quello del profondità in modo che quando il modello vira a sinistra si ottenga un movimento leggero a cabrare in automatico. Questa soluzione renderà molto facile la virata a sinistra mentre quella a destra non ha problemi.
La leggerezza del modello e la conseguente bassa velocità fa si che il modello in pratica sia indistruttibile.
Come si vede nel video è possibile volare in spazi ristretti: è un piccolo modello che vi darà tante soddisfazioni.







Nel video sotto si puo vedere come realizzo le superfici con la pellicola per alimenti.
